

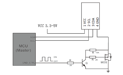
| Pinout | name | describe | Remark |
| 1 | VCC | Power supply | |
| 2 | SCL | Serial Clock | |
| 3 | CDA | Serial data, bidirectional port | |
| 4 | GND | land |








We want to help you create the exact product
From the lab team that ensures your products are performing, to the sourcing team that helps you realize all your labeling and packaging visions, JSY will be there every step of the way.
Private Labeling
label product lines.Whether you need help creating the right formula or have a range of products you want to compete and packaging visions, JSY will be there every step of the way. with, we can help you deliver high-quality products every time.
At present, the company is vigorously expanding overseas markets and global layout. In the next three years, In the next three years, we are committed to becoming one of the top ten export enterprises in China’s electricity metering industry, serving the world with high-quality products and achieving a win-win situation with more customers.