JSY-MK-231 Single Phase DC Metering Module with Hall Sensor

1.1、 Introduction
JSY-MK-231 is a Single Phase DC metering module collector that integrates highly integrated measurement and digital communication technology and can complete electric energy measurement, collection and transmission. It can accurately measure DC voltage, current, power, electricity and other electrical parameters. It has 1 RS-485 communication interface, completely isolated circuit, small size, simple interface, and can be easily fixed in various devices that need to measure DC power consumption. It has an excellent cost performance.
JSY-MK-231 DC collector can be widely used in energy-saving transformation, DC charging piles, electricity, communications, railways, transportation, environmental protection, petrochemicals, steel and other industries, and can be used to remotely monitor the use of DC equipment .
1.2、 Features
1.2.1. Collect DC parameters, including voltage, current, power , and electric energy.
1.2.2. Adopting special measurement chip and effective value measurement method, the measurement accuracy is high.
1.2.3. 1-way 485 communication interface.
1.2.4. The communication protocol adopts Modbus-RTU, which has good compatibility and is convenient for programming.
1.2.5. Powered by 12 ~ 36V DC .
1.2.6. Hall sensors of different specifications are available .
1.3、 Technical Parameters
1.3.1 DC input
1) Voltage range: 1~500V, other specifications can be customized .
2) Current range: 100A , other specifications can be customized .
3) Signal processing: using dedicated measurement chip, 24-bit AD sampling.
4) Overload capacity: 1.2 times the voltage and current range without damage.
5) Input impedance: voltage channel>1 kΩ/V.
1.3.2 Communication Interface
1) Interface type: 1-way 485 communication interface.
2) Communication protocol: MODBUS-RTU protocol.
3) Data format: software-settable, “n,8,1”, “e,8,1”, “o,8,1”, “n,8,2”.
4) Communication rate: The baud rate can be set to 1200, 2400, 4800, 9600 , 19200, 38400bps . the default is 9600bps.
1.3.3 Measurement output data
Voltage, current, power, electric energy and other electrical parameters, see the Mdobus data register list.
1.3.4 measurement accuracy
Voltage, current, power: less than ±1.0%. electric energy level 1.
1.3.5 isolation
The power supply under test is isolated from the power supply. the isolation withstand voltage is 3 000VDC.
1.3.6 power supply
1) DC power supply 12 ~ 36V , power consumption < 50mA ( 24V power supply ) .
1.3.7 working environment
1) Working temperature: -30~+75℃ . Storage temperature: -40~+85℃ .
2) Relative humidity: 5~95%, no condensation (at 40 ℃ ) .
3) Altitude: 0~3000 meters.
4) Environment: No explosive, corrosive gases and conductive dust, no significant shaking, vibration and impact.
1.3.8 Installation method: 3 5 mm guide rail type
1.3.9 Housing size : 90. 2 * 36. 3 * 56.5mm
2.1、 Appearance and installation:

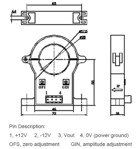
2.2 Hall Sensor appearance and dimension drawing


2. 3 Terminal wiring diagram description:

|
Terminal Defination |
||
|
Terminal |
Characteristic |
Functional Description |
|
DC+ |
DC positive |
Positive terminal of the DC voltage under test |
|
DC- |
DC negative pole |
Negative terminal of the DC voltage to be measured |
|
+12V |
Sensor working power supply |
Connect to the +12V input port of the sensor |
|
-12V |
Sensor working power supply |
Connect to the -12V input port of the sensor |
|
GND |
Sensor working power supply |
Connect to the GND input port of the sensor |
|
V_OUT |
Sensor output signal |
Connect to the Vo output port of the sensor |
|
24V |
Collector working power supply |
Positive input port, voltage range is 12~36V |
|
G |
Collector working power supply |
Negative input port |
|
A |
484A |
Collector 485 communication port A |
|
B |
485B |
Collector 485 communication port B |
Post time: Aug-17-2024

